飛利浦浴霸特點

外觀造型:飛利浦浴霸造型簡約時尚,一體化機構設計,減少箱體進蟲、進蒸汽、積灰,方便拆裝。面板材質為陽極氧化鋁合金,耐腐蝕、不褪色,使用時間長,方便清理。鋁塑合璧結構,強度高,不易變形。
通風模塊:優質40W滾珠軸承電機,高效換氣。內翻邊設計減少噪音及逆流。高強度耐高溫風暖格柵,楔形設計,出風更順暢。由于風暖浴霸的風是從花板夾層吹出來的,飛利浦浴霸相應地配置了4 英寸超大排風口,提升換氣效率。
照明模塊:專為飛利浦R115 245W長效近紅外線取暖燈設計,硬質鋁防爆玻璃,增加防爆性,熱能轉化率高,即開取暖,節能耐用。優質亞光透明燈光板,帶來均勻柔和的光線。
取暖模塊:飛利浦浴霸實現1秒迅速供熱,近紅外線技術帶來迅速、健康的取暖,效率高達90%,熱力深入滲透皮下組織促進血液循環,不耗氧。取暖燈經過4℃沖淋測試,安全防爆,可用5000小時之久。1500W優質PTC陶瓷發熱模塊,高效恒溫。
安全防護:飛利浦浴霸采用雙保險絲及防漏電系統設計,加強過熱保護,使用更安全可靠。多功能防水開關,更適應于是環境。
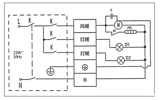
飛利浦浴霸接線圖——集成吊頂取暖模塊
飛利浦浴霸安裝之室內加熱器模塊

第一步:用十字螺絲刀打開接線電器盒蓋;
第二步:先用十字螺絲刀打開壓線夾,再按照接線標貼上標的線徑及顏色接線;(注意,不能再用破損和小于標識線徑軟護套導線安裝)
第三步:固定好壓線夾,裝上接線盒。(裝上接線盒前要檢查線是否接牢)